深圳市臻芯半导体科技有限公司
Shenzhen Zhenxin Semiconductor Technology Co., Ltd.
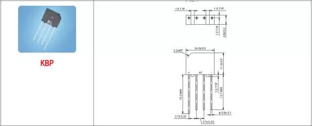
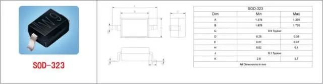
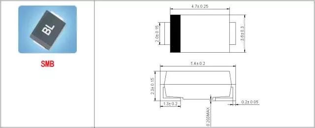
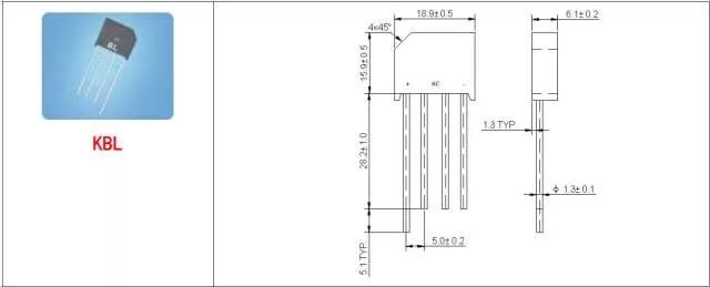
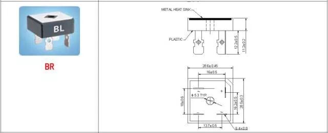
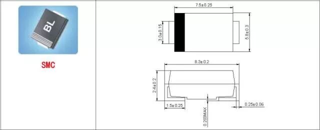
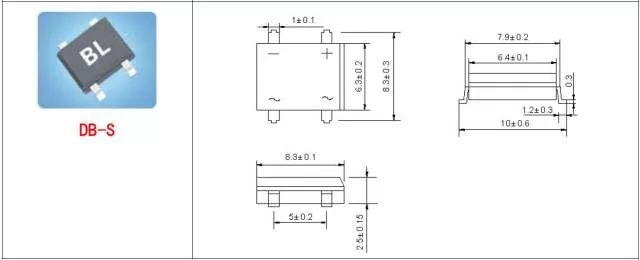
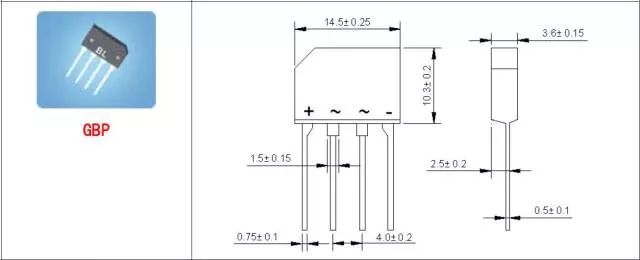
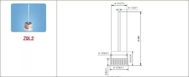
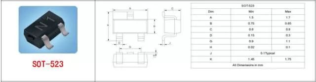
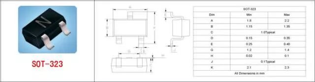
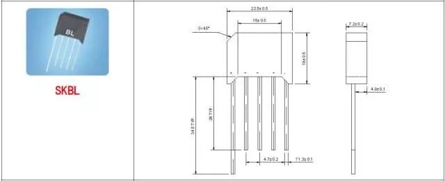
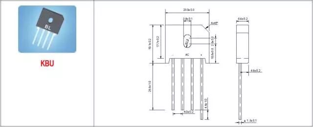
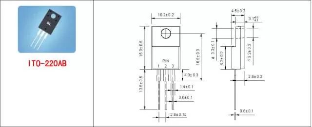
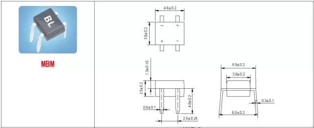
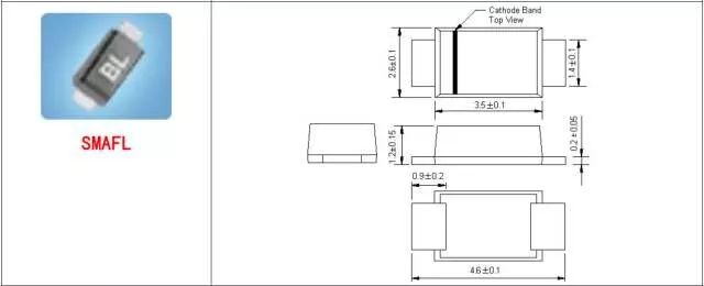
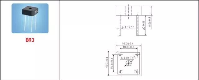
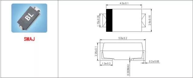
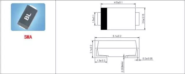
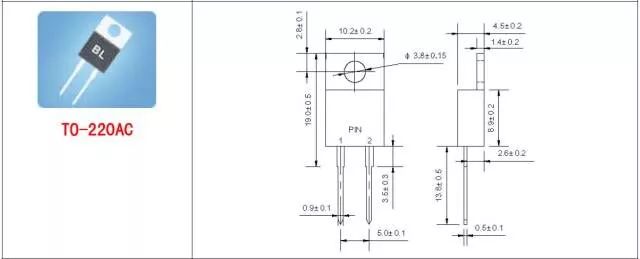
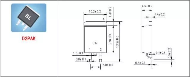
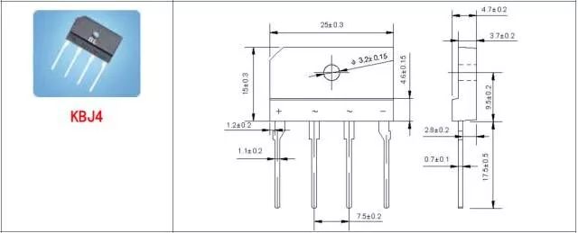
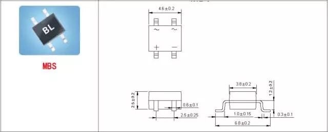
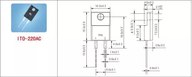
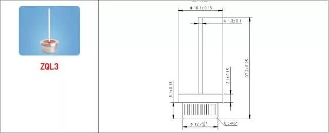
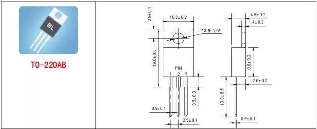
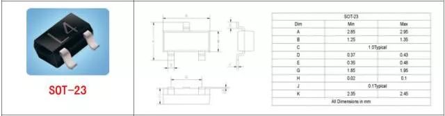
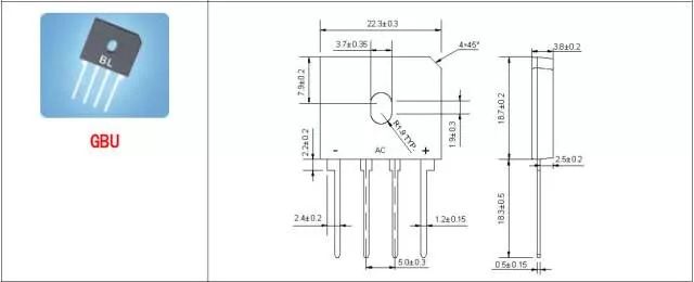
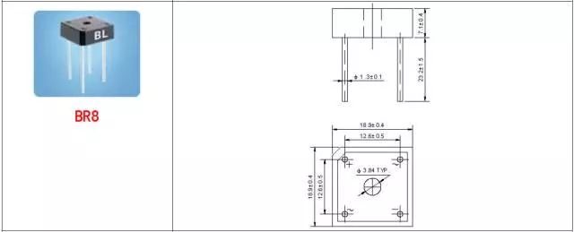
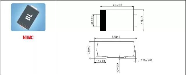
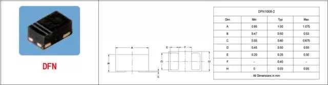
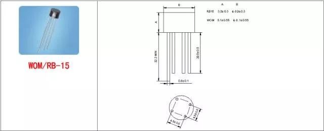
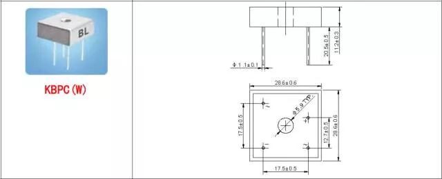
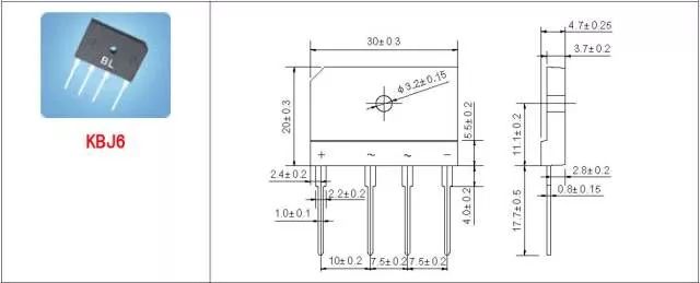
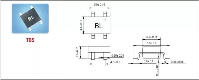
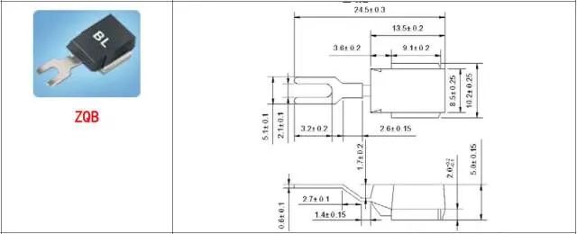
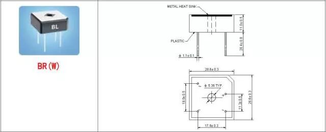
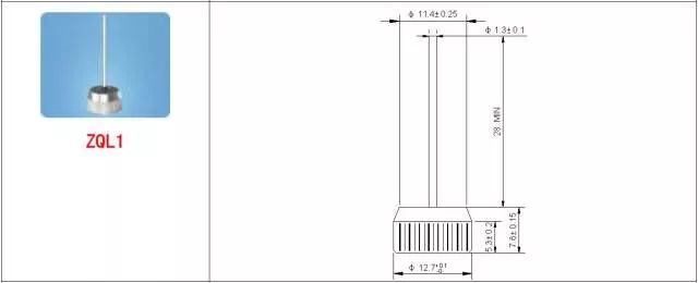
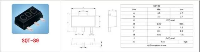
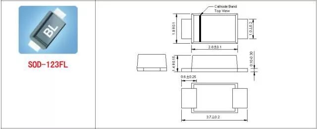
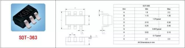
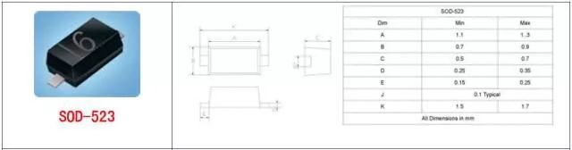
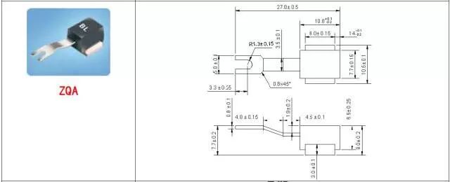
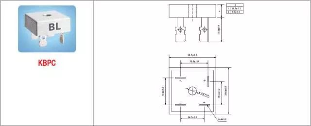
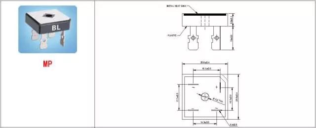
二极管、三极管、MOS管常用封装(实物图,含精确尺寸)
来源: | 作者:佚名 | 发布时间: 2025-03-30 | 134 次浏览 | 分享到:

    电子元器件有着不同的封装类型,不同类的元器件外形虽然差不多,但内部结构及用途却大不同。 

  譬如TO220封装的元件可能是三极管、可控硅、场效应管甚至是双二极管。TO-3封装的元器件有三极管,集成电路等。 

  今天我们就来盘点一下常见的二极管、三极管、MOS封装类型,下图含精确尺寸。